DIAPASON 04.16
Breadcrumbs

Objets Graphiques


Introduction aux Objets Graphiques

Principes et objectifs des Objets Graphiques

Le principe est de disposer d’une architecture client-serveur de type Word pour générer à partir d’une structure d’entrée, alimentée par DIALOG, une ou plusieurs images.

Principe général :

  • Via DIALOG, alimentation d’une liste d’objets graphiques à représenter.

  • Par une fonction DIALOG, à partir de cette liste, génération de un ou plusieurs dessins.

Exemple concret d’Objet Graphique

Voici une menuiserie composée de la nomenclature suivante. La représentation graphique de cette nomenclature pourra être le dessin en dessous de la nomenclature.

att_96_for_222593261.jpeg


Détail des principes des Objets Graphiques

Il faut bien distinguer deux parties :

  • La partie extraction des données d’une nomenclature pour alimenter une liste standard ‘WfObjGraD’.

  • La génération des fichiers à partir de la liste standard ‘WfObjGen’.

La partie extraction va être à normaliser :

  • Chaque objet de représentation est défini dans un groupe des informations techniques de chaque pointeur.

  • Sur chaque pointeur, un objet est dit principal, pour positionner les relations entre les différents objets.

  • L’utilisation de l’arborescence permet de décrire automatiquement les liens entre objets principaux et entre objets.

La partie génération va fonctionner à partir des données, en entrée, suivantes :

  • La liste des objets graphiques.

  • La liste des fichiers résultats, avec pour chacun :

  • Le nom du fichier (en absolu ou avec un répertoire défaut).

  • Son format.

  • La liste des familles d’objets qui font partie du dessin généré.

Paramétrage d’un Objet Graphique

Fonction DIALOG Objet Graphique

Création d’une représentation graphique

La fonction DIALOG utilise une liste standard contenant tous les objets à représenter. C’est cette liste que l’utilisateur doit remplir, à partir des données techniques rattachées à la nomenclature, pour générer une représentation.

La liste standard ‘WfObjGraD’ est constituée des champs ci-dessous :

Référence

Désignation

Type

Obligatoire. Commentaire.

ObjNumOrd

Numéro d’ordre de création des objets.

Numérique

OUI

ObjRefObjF 

Référence de l’objet courant

Caractère

OUI

ObjRel

Indique que cet objet est créé par rapport à un autre objet.

Logique

NON

ObjRefObjP

Référence de l’objet Père. Utile dans le cas où l’on crée des objets en relatif.

Caractère

OUI si le champ ObjRel est à OUI

ObjTypObj 

Type de l’objet

Caractère

‘REC’ : Rectangle

‘LIG’ : Ligne

‘IMG' : Image

‘TXT’ : Texte

‘BIB’ : Bibliothèque

ObjRefBib

Référence objet de la bibliothèque

Caractère


ObjConBib

Condition Inclusion des Objets.

Caractère


ObjConBibExc

Condition Exclusion des Objets.

Caractère


ObjConBibFor

Condition d’inclusion des Objets. sous forme de formule.

Caractère


ObjPosDebX

Positionnement Début X

Caractère


ObjPosDebY

Positionnement Début Y

Caractère


ObjPosFinX

Positionnement Fin X’

Caractère


ObjPosFinY

Positionnement Fin Y’

Caractère


ObjHau

Hauteur

Caractère


ObjLar

Largeur

Caractère


ObjUme

Unité de mesure de l’objet

Caractère


ObjPar

Liste des paramètres utilisés dans la description des objets issus de la bibliothèque et dont le séparateur est le point-virgule.

Caractère


ObjParVal

Valeur des paramètres définies sous la forme :

PAR + ‘.’+ <Référence Paramètre> + ‘=’ + <Valeur Paramètre>

et séparés par un point-virgule.

Caractère


ObjFam

Référence Famille Objet

Caractère


ObjCarRef

Référence Caractéristique

Caractère


ObjCar 

Liste chaînée des attributs rattachés à l’objet.

Remarque : la liste chaînée doit être identique au contenu de la zone ‘Caractéristiques’ de l’onglet ‘caractéristiques objet’ se trouvant sur la définition du détail d’un objet.

Forme de la liste chaînée :

'#' + <Code_Attribut> + '=' + <Valeur_Attribut> + '#' + … etc

Caractère

Les caractéristiques qui seront gérées :

- la couleur du trait

- le style du trait

- l’épaisseur du trait

- un style opaque ou transparent

- la police

- la taille du texte

- le style du texte

- …


ObjCarDimRef

Référence caractéristique de génération

Caractère


ObjTxt 

Texte rattaché à l’objet

Caractère


ObjImg 

Référence Image

Caractère


ObjCouF

Couleur de fond

Caractère


ObjLisFamExc

Liste des références familles à Exclure dont le séparateur est la virgule.

Caractère


ObjLisFam

Liste des références familles rattachée à l’objet dont le séparateur est la virgule.

Caractère


ObjRotObj

Degré de rotation de l'objet

Numérique


Paramétrage Objet graphique

Sur chacun des objets élémentaires, il est possible de gérer des caractéristiques de représentation des objets (couleur de trait, de fond, etc.…).

Les caractéristiques de représentation peuvent être gérées :

  • sur l’objet lui-même sous forme de liste chaînée ('#' + <Code_Attribut> + '=' + <Valeur_Attribut> + '#' + … etc) ou de référence caractéristique de présentation,

  • sur la famille rattachée à l’objet,

  • sur le type de l’objet.

Dans DIALOG, il existe une structure permettant de donner les caractéristiques de représentation par rapport à une famille, un type d’objet (Rectangle, Ligne, …) ou bien des caractéristiques générales toutes familles et tous types d’objet confondus.

Cette structure se nomme WfObjPar :

Référence

Désignation

Type

Obligatoire. Commentaire.

ObjTypPar

Type de paramètre :

- ‘*’ : Général

- FAM : Caractéristique Famille

- OBJ : Caractéristique Objet

Caractère

OUI

ObjRef

Contient soit la Référence Famille soit le type de l’objet.

Caractère

OUI

ObjCarRef

Référence caractéristique présentation associée.

Caractère

NON

ObjCar

Liste des caractéristiques de présentation associée.

Forme de la liste chaînée :

'#' + <Code_Attribut> + '=' + <Valeur_Attribut> + '#' + … etc

Caractère

NON

ObjUme

Unité de Mesure

Caractère

NON

Utile si l’on gère la caractéristique ‘Marge Cote’ dans la liste des caractéristiques.

ObjCarDimRef

Référence des caractéristiques dimensionnelles associées.

Caractère

Non géré

Principe de récupération des caractéristiques de représentation d’un objet élémentaire :

  • Récupération des caractéristiques paramétrées sur l’objet lui-même sur le champ (WfObjGraD.ObjCar).

  • Si toutes les caractéristiques de représentation ne sont pas initialisées alors DIAPASON récupère les caractéristiques issues de la référence caractéristiques de représentation paramétrée sur l’objet lui même (WfObjGraD.ObjCarRef).

  • Si toutes les caractéristiques de représentation ne sont pas initialisées alors DIAPASON regarde si la famille de l’objet est paramétrée dans la structure WfObjPar. Si oui, DIAPASON récupère d’abord le contenu de la liste chaînée (WfObjPar.ObjCar) puis le contenu de la référence caractéristiques de représentation (WfObjPar.ObjCarRef).

  • Si toutes les caractéristiques de représentation ne sont pas initialisées, DIAPASON regarde si la famille (définie dans les paramètres généraux) de l’objet contient une référence caractéristique. Si oui, DIAPASON récupère le contenu de la référence caractéristique de représentation.

  • Si toutes les caractéristiques de représentation ne sont pas initialisées, DIAPASON regarde si dans la liste standard WfObjPar l’objet élémentaire (REC,LIG,TXT, …) a été paramétré. Si oui, DIAPASON récupère le contenu de la liste chaînée (WfObjPar.ObjCar) puis le contenu de la référence caractéristique de représentation (WfObjPar.ObjCarRef).

  • Si toutes les caractéristiques de représentation ne sont pas initialisées, DIAPASON regarde si dans la liste standard WfObjPar des caractéristiques ont été définies tous types d’objet confondus (WfObjPar. ObjTypPar = OBJ ET WfObjPar.ObjRef = ‘*’). Si oui, DIAPASON récupère le contenu de la liste chaînée puis, si toutes les caractéristiques ne sont pas initialisées, le contenu de la référence des caractéristiques.

  • Si toutes les caractéristiques de représentation ne sont pas initialisées, DIAPASON regarde si dans la liste standard WfObjPar des caractéristiques ont été définies tous types et toutes les familles confondus (WfObjPar. ObjTypPar = ‘*’). Si oui, DIAPASON récupère le contenu de la liste chaînée puis, si toutes les caractéristiques de représentation ne sont pas initialisées, le contenu de la référence caractéristique.

Génération d’une Image

Pour générer une image avec DIALOG, il faut remplir la structure WfObjGen suivante :

Référence

Désignation

Type

Obligatoire. Commentaire.

ObjRefFic

Nom du fichier à générer.

Caractère

OUI

ObjForGen

Format de génération.

Caractère

OUI.

Si le format de génération est égal à 0 alors le format est déduit du nom du fichier par rapport à son extension.

ObjLisFam

Liste des familles à inclure lors de la génération dont le séparateur est la virgule.

Caractère

NON

ObjLisFamExc

Liste des familles à exclure lors de la génération dont le séparateur est la virgule.

Caractère

NON

ObjDimGen

Dimension de l’image à générer sous la forme Hauteur;Largeur.

Caractère

OUI

ObjUmeDim

Unité de mesure associée au dimension de génération.

Caractère

NON

ObjSrvDes

Référence Serveur de génération

Caractère

Soit on renseigne une référence serveur soit une référence imprimante.

ObjImpDes

Référence Imprimante pour génération.

Caractère

Soit on renseigne une référence serveur soit une référence imprimante.

ObjCarDimRef

Référence caractéristiques dimensionnelles associée.

Caractère

NON

Exemple :

CREATION Liste WfObjGen :

PRENDRE WfObjGen ObjRefFic = CLO."TestML.jpg"

PRENDRE WfObjGen ObjDimGen = CLO."15;15"

PRENDRE WfObjGen ObjUmeDim = CLO."CM"

PRENDRE WfObjGen ObjImpDes = CLO."testogr"

FIN_BLOC

Utilisation de la Fonction

La fonction DIALOG « GENERE-IMAGE » utilise les listes :

«WfObjGen» (obligatoire) qui contient les fichiers à générer,

«WfObjGraD» (obligatoire) qui contient tous les objets constituant le dessin,

«WfObjPar» (facultatif) qui contient le paramétrage éventuel.

Exemple :

VLO.VarRetourFct = GENERE-IMAGE( )

Paramétrage du positionnement de l’image

Lors de la génération on place l’image dans le coin haut gauche de la zone de génération « au plus grand ». On effectue ensuite sont positionnement final.

Par défaut le superflu de la zone de génération est rogné. C’est le mode « AJUSTER ».

image-20230224-083249.png

Il est dorénavant possible de choisir trois nouveaux modes de positionnement (CENTRER, HAUTEUR, LARGEUR).

Mode « CENTRER ».

L’image est centrée dans la zone de génération et cette dernière n’est pas rognée.

image-20230224-083318.png

Mode « LARGEUR »

image-20230224-083430.png

La taille de la zone de génération est recalculée par rapport au ratio de l’image à générer. On prend la largeur de génération comme valeur de référence

Mode HAUTEUR

image-20230224-083533.png


Pour choisir le mode dans la requête, il suffit de créer un enregistrement dans WfObjPar. Le champ WFObjPar.ObjCar devra contenir un des quartes modes décrits ci-dessus. Dans le cas ou le mode choisi n’existe pas c’est le mode « AJUSTER » qui sera utilisé. Dans le cas de générations successives il faudra penser à supprimer ou mettre à jour la valeur du mode. Le mode est commun à toutes les générations lors d’une génération multiple (plusieurs « WFObjGen » pour 1 seul « GENERE-IMAGE ».

Exemple :

att_6_for_222593261.png

La variable local prendra comme valeur le nom du mode souhaité.

Les Différents Types d’Objets Graphiques

Rectangle « REC »

Le type d’objet « REC » permet de représenter un rectangle dans un dessin.

Caractéristiques de positionnement :

  • ObjPosDebX : Positionnement Début X

  • ObjPosDebY : Positionnement Début Y

  • ObjPosFinX : Positionnement Fin X’

  • ObjPosFinY : Positionnement Fin Y’

  • ObjHau : Hauteur

  • ObjLar : Largeur

  • ObjUme : Unité de mesure de l’objet

Caractéristiques de mise en forme :

  • ObjCouF : Couleur de fond

  • Les « ObjCarRef » ou « ObjCar » permettent de définir les caractéristiques suivantes :

    • Couleur du trait

    • Style du trait

    • Epaisseur du trait

    • Style opaque ou transparent

Exemples de création d’un Objet ‘REC’ dans DIALOG:

CREATION Liste WfObjGraD :

PRENDRE WfObjGraD ObjNumOrd = 10

PRENDRE WfObjGraD ObjRefObjF = ‘R1’

PRENDRE WfObjGraD ObjTypObj  = ‘REC’

PRENDRE WfObjGraD ObjPosDebX = ‘10000’

PRENDRE WfObjGraD ObjPosDebY = ‘20000’

PRENDRE WfObjGraD ObjHau = ‘20000’

PRENDRE WfObjGraD ObjLar = ‘40000’

PRENDRE WfObjGraD ObjCar = ‘CouTr=19#StyTr=SOL#EpaTr=2#FonS=OPA’

Ligne « LIG »

Le type d’objet « LIG » permet de représenter une droite dans un dessin.

Caractéristiques de positionnement :

  • ObjPosDebX : Positionnement Début X

  • ObjPosDebY : Positionnement Début Y

  • ObjPosFinX : Positionnement Fin X’

  • ObjPosFinY : Positionnement Fin Y’

  • ObjHau : Hauteur

  • ObjLar : Largeur

  • ObjUme : Unité de mesure de l’objet

Caractéristiques de mise en forme :

  • ObjCouF : Couleur de fond

  • Les « ObjCarRef » ou « ObjCar » permettent de définir les caractéristiques suivantes :

    • Couleur du trait

    • Style du trait

    • Epaisseur du trait

Exemples de création d’un Objet ‘LIG’ dans DIALOG:

CREATION Liste WfObjGraD :

PRENDRE WfObjGraD ObjNumOrd = 10

PRENDRE WfObjGraD ObjRefObjF = ‘L1’

PRENDRE WfObjGraD ObjTypObj  = ‘LIG’

PRENDRE WfObjGraD ObjPosDebX = ‘10000’

PRENDRE WfObjGraD ObjPosDebY = ‘20000’

PRENDRE WfObjGraD ObjHau = ‘20000’

PRENDRE WfObjGraD ObjLar = ‘40000’

PRENDRE WfObjGraD ObjCar = ‘CouTr=19#StyTr=SOL#EpaTr=2’

Image « IMG »

Le type d’objet « IMG » permet d’insérer une image dans un dessin.

Caractéristiques de positionnement :

  • ObjPosDebX : Positionnement Début X

  • ObjPosDebY : Positionnement Début Y

  • ObjPosFinX : Positionnement Fin X’

  • ObjPosFinY : Positionnement Fin Y’

  • ObjHau : Hauteur

  • ObjLar : Largeur

  • ObjUme : Unité de mesure de l’objet

Caractéristiques de mise en forme :

  • ObjCouF : la couleur de transparence

  • Les « ObjCarRef » ou « ObjCar » permettent de définir les caractéristiques suivantes :

    • Couleur du trait

    • Style du trait

    • Epaisseur du trait

    • Style opaque ou transparent

Autre caractéristique :

  • ObjImg : Référence Image

Exemples de création d’un Objet ‘IMG’ dans DIALOG:

CREATION Liste WfObjGraD :

PRENDRE WfObjGraD ObjNumOrd = 10

PRENDRE WfObjGraD ObjRefObjF = ‘I1’

PRENDRE WfObjGraD ObjTypObj  = ‘IMG’

PRENDRE WfObjGraD ObjPosDebX = ‘10000’

PRENDRE WfObjGraD ObjPosDebY = ‘20000’

PRENDRE WfObjGraD ObjHau = ‘20000’

PRENDRE WfObjGraD ObjLar = ‘40000’

PRENDRE WfObjGraD ObjCar = ‘CouTr=19#StyTr=SOL#EpaTr=2#FonS=OPA’

PRENDRE WfObjGraD ObjImg = ‘RefImg’

Texte « TXT »

Le type d’objet « TXT » permet d’insérer une zone de texte dans un dessin.

Caractéristiques de positionnement :

  • ObjPosDebX : Positionnement Début X

  • ObjPosDebY : Positionnement Début Y

  • ObjPosFinX : Positionnement Fin X’

  • ObjPosFinY : Positionnement Fin Y’

  • ObjHau : Hauteur

  • ObjLar : Largeur

  • ObjUme : Unité de mesure de l’objet

Caractéristique de mise en forme :

  • ObjCouF : la couleur de fond

  • Les « ObjCarRef » ou « ObjCar » permettent de définir les caractéristiques suivantes :

    • Taille Texte

    • Police Texte

    • Couleur du trait

    • Style du trait

    • Epaisseur du trait

    • Style opaque ou transparent

Autre caractéristique :

ObjTxt : Texte rattaché à l’objet 

Exemples de création d’un Objet ‘TXT’ dans DIALOG:

CREATION Liste WfObjGraD :

PRENDRE WfObjGraD ObjNumOrd = 10

PRENDRE WfObjGraD ObjRefObjF = ‘T1’

PRENDRE WfObjGraD ObjTypObj  = ‘TXT’

PRENDRE WfObjGraD ObjPosDebX = ‘10000’

PRENDRE WfObjGraD ObjPosDebY = ‘20000’

PRENDRE WfObjGraD ObjHau = ‘20000’

PRENDRE WfObjGraD ObjLar = ‘40000’

PRENDRE WfObjGraD  ObjTxt = ‘Exemple de Texte’

PRENDRE WfObjGraD ObjCar = ‘CouTr=19#StyTr=SOL#FonS=OPA# Tai=12#Pol=Times New Roman#AliHTxt=DRO#AliVTxt=BAS#CouTxt=24#StyTxt=STD’

Exemples de création d’un Objet ‘TXT’ avec un trait autour du texte dans DIALOG:

CREATION Liste WfObjGraD :

PRENDRE WfObjGraD ObjNumOrd = 10

PRENDRE WfObjGraD ObjRefObjF = ‘T1’

PRENDRE WfObjGraD ObjTypObj  = ‘TXT’

PRENDRE WfObjGraD ObjPosDebX = ‘10000’

PRENDRE WfObjGraD ObjPosDebY = ‘20000’

PRENDRE WfObjGraD ObjHau = ‘20000’

PRENDRE WfObjGraD ObjLar = ‘40000’

PRENDRE WfObjGraD  ObjTxt = ‘Exemple de Texte’

PRENDRE WfObjGraD ObjCar = ‘CouTr=19#StyTr=SOL#FonS=OPA# Tai=12#Pol=Arial#AliHTxt=DRO#AliVTxt=BAS#CouTxt=24#StyTxt=MUL’

Le paramètre StyTxt peut prendre la valeur « MUL » ou « BOX » pour faire afficher un trait autour du texte paramétré dans le champ ObjTxt.

Bibliothèque « BIB »

Le type d’objet « BIB » permet d’insérer un objet de la bibliothèque dans un dessin.

Caractéristiques de positionnement :

ObjPosDebX : Positionnement Début X

ObjPosDebY : Positionnement Début Y

ObjPosFinX : Positionnement Fin X’

ObjPosFinY : Positionnement Fin Y’

ObjHau : Hauteur

ObjLar : Largeur

ObjUme : Unité de mesure de l’objet

Exemples de création d’un Objet ‘BIB’ dans DIALOG:

CREATION Liste WfObjGraD :

PRENDRE WfObjGraD ObjNumOrd = 10

PRENDRE WfObjGraD ObjRefObjF = ‘B1’

PRENDRE WfObjGraD ObjTypObj  = ‘BIB’

PRENDRE WfObjGraD ObjRefBib = ‘RefObjBib’

PRENDRE WfObjGraD ObjPosDebX = ‘10000’

PRENDRE WfObjGraD ObjPosDebY = ‘20000’

PRENDRE WfObjGraD ObjHau = ‘20000’

PRENDRE WfObjGraD ObjLar = ‘40000’

Principe de Positionnement des Objets Graphiques

L’axe Utilisé

Dans DIAPASON, le positionnement des objets se fait par rapport à l’axe « Informatique ».

  • Coordonnées informatiques

image-20230224-085916.png

Graduation positive de l’axe X de gauche à droite

Graduation positive de l’axe Y de haut en bas

Le point 0,0 est situé en haut à gauche de l’image.

Exemple : positionnement d’un point A (2,4).

att_7_for_222593261.png

Définition des dimensions

Il existe deux manières de positionner et de dimensionner un objet.

  • Avec les coordonnées de début et de fin de zone.

Les deux points définis par (ObjPosDeb, ObjPosDebY) et (ObjPosFinX,ObjPosFinY) permettent de définir une zone qui détermine la position et la taille de l’objet.

Exemple d’un rectangle R1 et d’une droite L1.

R1 (ObjPosDeb = 1, ObjPosDebY = 2) et (ObjPosFinX = 5, ObjPosFinY = 4)

L1 (ObjPosDeb = 1, ObjPosDebY = 2) et (ObjPosFinX = 5, ObjPosFinY = 4)

att_8_for_222593261.png

Avec les coordonnées de début et la dimension de l’objet (hauteur et largeur).

Dans ce cas on définit les coordonnées de début (ObjPosDeb, ObjPosDebY) puis la hauteur et la largeur de la zone.

Exemple d’un rectangle R1 et d’une droite L1.

R1 (ObjPosDeb = 1, ObjPosDebY = 2) et (Hauteur = 2, Largeur = 4)

L1 (ObjPosDeb = 1, ObjPosDebY = 2) et (Hauteur = 2, Largeur = 4)

att_9_for_222593261.png

Remarque : pour une droite oblique ni la largeur ni la hauteur ne déterminent la longueur réelle de la droite.

Positionnement en absolu ou en relatif.

Il est possible de définir un objet en relatif par rapport à un autre objet. Dans ce cas le point origine (0,0) de l’objet fils est positionné sur les coordonnées de début de l’objet père (ObjPosDebX, ObjPosDebY).

Le logique « ObjRel » indique si le positionnement se fait en relatif et le champ « ObjRefObjP » donne la référence de l’objet père.

Exemple d’un rectangle R1 père de la droite L1.

R1 (ObjPosDebX = 1, ObjPosDebY = 2) et (Hauteur = 2, Largeur = 4)

L1 (ObjPosDebX = 0, ObjPosDebY = 0) et (Hauteur = 2, Largeur = 4)

att_10_for_222593261.png

Les unités de mesures.

L’unité de mesure est associée aux dimensions de l’objet et de certains attributs de présentation des objets.

Les différentes unités de mesure sont les suivantes :

  • CMM : Centième de Millimètre

  • MM : Millimètre

  • CM : Centimètre

  • DM : Décimètre

  • ME : Mètre

Exemples.

Un rectangle.

CREATION Liste WfObjGraD :

PRENDRE WfObjGraD ObjNumOrd = 10

PRENDRE WfObjGraD ObjRefObjF = ‘R1’

PRENDRE WfObjGraD ObjTypObj  = ‘R’

PRENDRE WfObjGraD ObjPosDebX = ‘1’

PRENDRE WfObjGraD ObjPosDebY = ‘2’

PRENDRE WfObjGraD ObjHau = ‘2’

PRENDRE WfObjGraD ObjLar = ‘4’

att_11_for_222593261.png

Une ligne.

CREATION Liste WfObjGraD :

PRENDRE WfObjGraD ObjNumOrd = 10

PRENDRE WfObjGraD ObjRefObjF = ‘L1’

PRENDRE WfObjGraD ObjTypObj  = ‘L’

PRENDRE WfObjGraD ObjPosDebX = ‘1’

PRENDRE WfObjGraD ObjPosDebY = ‘2’

PRENDRE WfObjGraD ObjHau = ‘2’

PRENDRE WfObjGraD ObjLar = ‘4’

att_12_for_222593261.png

Un rectangle et une ligne (en absolu).

CREATION Liste WfObjGraD :

PRENDRE WfObjGraD ObjNumOrd = 10

PRENDRE WfObjGraD ObjRefObjF = ‘R1’

PRENDRE WfObjGraD ObjTypObj  = ‘R’

PRENDRE WfObjGraD ObjPosDebX = ‘1’

PRENDRE WfObjGraD ObjPosDebY = ‘2’

PRENDRE WfObjGraD ObjHau = ‘2’

PRENDRE WfObjGraD ObjLar = ‘4’

CREATION Liste WfObjGraD :

PRENDRE WfObjGraD ObjNumOrd = 20

PRENDRE WfObjGraD ObjRefObjF = ‘L1’

PRENDRE WfObjGraD ObjTypObj  = ‘L’

PRENDRE WfObjGraD ObjPosDebX = ‘1’

PRENDRE WfObjGraD ObjPosDebY = ‘2’

PRENDRE WfObjGraD ObjHau = ‘2’

PRENDRE WfObjGraD ObjLar = ‘4’

att_13_for_222593261.png

Un rectangle et une ligne en relatif par rapport au rectangle.

CREATION Liste WfObjGraD :

PRENDRE WfObjGraD ObjNumOrd = 10

PRENDRE WfObjGraD ObjRefObjF = ‘R1’

PRENDRE WfObjGraD ObjTypObj  = ‘R’

PRENDRE WfObjGraD ObjPosDebX = ‘1’

PRENDRE WfObjGraD ObjPosDebY = ‘2’

PRENDRE WfObjGraD ObjHau = ‘2’

PRENDRE WfObjGraD ObjLar = ‘4’

CREATION Liste WfObjGraD :

PRENDRE WfObjGraD ObjNumOrd = 20

PRENDRE WfObjGraD ObjRefObjF = ‘L1’

PRENDRE WfObjGraD ObjTypObj  = ‘L’

PRENDRE WfObjGraD  ObjRel = YES

PRENDRE WfObjGraD  ObjRefObjP = ‘R1’

PRENDRE WfObjGraD ObjPosDebX = ‘0’

PRENDRE WfObjGraD ObjPosDebY = ‘0’

PRENDRE WfObjGraD ObjHau = ‘OBJ.PERE.ObjHau’

PRENDRE WfObjGraD ObjLar = ‘OBJ.PERE.ObjLar’

att_14_for_222593261.png

Un rectangle et un objet de la bibliothèque (en absolu).

CREATION Liste WfObjGraD :

PRENDRE WfObjGraD ObjNumOrd = 10

PRENDRE WfObjGraD ObjRefObjF = ‘R1’

PRENDRE WfObjGraD ObjTypObj  = ‘R’

PRENDRE WfObjGraD ObjPosDebX = ‘1’

PRENDRE WfObjGraD ObjPosDebY = ‘2’

PRENDRE WfObjGraD ObjHau = ‘2’

PRENDRE WfObjGraD ObjLar = ‘4’

CREATION Liste WfObjGraD :

PRENDRE WfObjGraD ObjNumOrd = 20

PRENDRE WfObjGraD ObjRefObjF = ‘B1’

PRENDRE WfObjGraD ObjTypObj  = ‘B’

PRENDRE WfObjGraD ObjRefBib = ‘RefObjB1’

PRENDRE WfObjGraD ObjPosDebX = ‘2’

PRENDRE WfObjGraD ObjPosDebY = ‘3’

PRENDRE WfObjGraD ObjHau = ‘1’

PRENDRE WfObjGraD ObjLar = ‘3’

att_15_for_222593261.png

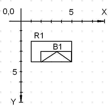
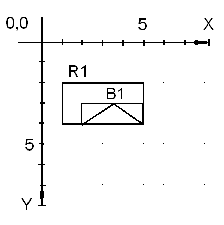
Un rectangle et un objet de la bibliothèque en relatif par rapport au rectangle.

CREATION Liste WfObjGraD :

PRENDRE WfObjGraD ObjNumOrd = 10

PRENDRE WfObjGraD ObjRefObjF = ‘R1’

PRENDRE WfObjGraD ObjTypObj  = ‘R’

PRENDRE WfObjGraD ObjPosDebX = ‘1’

PRENDRE WfObjGraD ObjPosDebY = ‘2’

PRENDRE WfObjGraD ObjHau = ‘2’

PRENDRE WfObjGraD ObjLar = ‘4’

CREATION Liste WfObjGraD :

PRENDRE WfObjGraD ObjNumOrd = 20

PRENDRE WfObjGraD ObjRefObjF = ‘B1’

PRENDRE WfObjGraD ObjTypObj  = ‘B’

PRENDRE WfObjGraD ObjRefBib = ‘RefObjB1’

PRENDRE WfObjGraD  ObjRel = YES

PRENDRE WfObjGraD  ObjRefObjP = ‘R1’

PRENDRE WfObjGraD ObjPosDebX = ‘1’

PRENDRE WfObjGraD ObjPosDebY = ‘1’

PRENDRE WfObjGraD ObjHau = ‘OBJ.PERE.ObjHau - 1’

PRENDRE WfObjGraD ObjLar = ‘OBJ.PERE.ObjLar - 1’

att_16_for_222593261.png

Paramétrages des Objets Graphiques

Familles Objets Graphiques

Les familles gérées dans la définition des objets sont référencées dans : Paramètres Généraux /Paramètres Utilisateurs/Objets Graphiques/Familles Objets Graphiques (Entité : DAO / Groupe : FAM).

Sur ces familles, il est possible de rattacher (dans le commentaire de 1) une référence caractéristiques de représentation et une référence caractéristiques dimensionnelles défauts sous la forme : CarPre=Référence caractéristique Présentation ; CarDim=Référence caractéristique dimensionnelle.

Polices Objets Graphiques

Les Polices gérées dans la définition des caractéristiques de présentation sont référencées dans : Paramètres Généraux / Paramètres Utilisateurs / Objets Graphiques / Polices Objets Graphiques (Entité : DAO / Groupe : FON).

Images Objets Graphiques

Les références images rattachées à la définition d’un objet sont référencées dans : Paramètres Généraux / Paramètres Utilisateurs / Objets Graphiques / Images Objets Graphiques (Entité : DAO / Groupe : IMG).

Paramètres Objets Graphiques

Les paramètres utilisés dans la définition des objets bibliothèques (dans les coordonnées, dans le texte, …) sont définis dans : Paramètres Généraux / Paramètres Utilisateurs / Objets Graphiques / Paramètres Objets Graphiques (Entité : DAO / Groupe : PAR).

Unités de Mesure Objets

Les Unités de Mesure utilisées dans la définition des objets bibliothèques sont référencées dans : Paramètres Généraux / Paramètres Utilisateurs / Objets Graphiques / Unité de Mesure (Entité : DAO / Groupe : UME).

Définition des courbes par GENERE-IMAGE

Deux types d’objets élémentaires ont été ajoutée à la fonction GENERE-IMAGE pour permettre de dessiner des courbes : Le type « ARC » permettant de dessiner un arc de cercle et le type « ARL » permettant de dessiner un arc d’ellipse.

Arc de cercle « ARC »

Un arc de cercle est une portion de cercle qui devrait donc être définie par un cercle (un centre et un rayon) ainsi qu’un point de départ et d’arrivée.

Exemple d’arc de cercle :

att_17_for_222593261.png
att_18_for_222593261.png
att_19_for_222593261.png

Pour faciliter l’utilisation, la définition d’un objet de type « ARC » se fait avec la définition de deux points A et B et de la taille du rayon du cercle.

att_20_for_222593261.png

L’ensemble des courbes passant entre les points A et B sont les arcs ayant un rayon sur la droite « d ».

att_21_for_222593261.png

Une fois les points « A » « B » et le rayon déterminés, pour obtenir l’une ou l’autre des deux courbes, il suffit d’inverser le positionnement du début de l’arc avec le positionnement de fin de l’arc.

La définition d’un objet de type « ARC » se fait de la même façon que pour les autres objets hormis les caractéristiques de positionnement.

Caractéristiques de positionnement :

  • ObjPosDebX : Positionnement X du début de l’arc

  • ObjPosDebY : Positionnement Y du début de l’arc

  • ObjPosFinX : Positionnement X de la fin de l’arc

  • ObjPosFinY : Positionnement Y de la fin de l’arc

  • ObjPosArcDebX : Rayon du cercle

Les autres caractéristiques de mise en forme sont aussi disponibles pour cet objet (Voir objet de type « REC »)

Exemple de création :

CREATION Liste WfObjGraD :

PRENDRE WfObjGraD ObjRefObjF = CLO."ARC1"

PRENDRE WfObjGraD ObjPosDebX = CLO.1

PRENDRE WfObjGraD ObjPosDebY = CLO.1

PRENDRE WfObjGraD ObjPosFinX = CLO.5

PRENDRE WfObjGraD ObjPosFinY = CLO.4

PRENDRE WfObjGraD ObjTypObj = CLO."ARC"

PRENDRE WfObjGraD ObjPosArcDebX = CLO.6

FIN_BLOC

Liste exhaustive de positionnement de la courbe pour deux points A et B selon les valeurs de « PosDeb » et de « PosFin ».

Si Ya < Yb :


att_22_for_222593261.jpeg
att_23_for_222593261.jpeg

Si Ya > Yb


att_24_for_222593261.jpeg
att_25_for_222593261.jpeg

Si Ya = Yb


att_26_for_222593261.jpeg
att_27_for_222593261.jpeg

Si Xa = Xb


att_28_for_222593261.jpeg
att_29_for_222593261.jpeg

Remarque : si le rayon = 0 ou si rayon < [AB] / 2 alors Diapason dessine un demi cercle.


att_93_for_222593261.jpeg
  • Arc d’ellipse « ARE »

La notion d’arc d’ellipse est identique à la notion d’arc de cercle mais le positionnement des points A et B se fait sur une ellipse.

Exemple d’arc d’ellipse :

att_30_for_222593261.png
att_31_for_222593261.png
att_32_for_222593261.png

Toutefois la définition de ce type d’objets est plus complexe que pour les objets de type « ARC » car elle demande plus de calcul pour déterminer les paramètres de définition.

Définition de l’ellipse :

Pour définir une ellipse, il faut donner les deux points E1 (début X et début Y) et E2 (Fin X et Fin Y) qui délimitent un quart d’ellipse.

att_33_for_222593261.png

Il y a donc quatre possibilités de définir une même ellipse dans Diapason :

att_34_for_222593261.png
att_35_for_222593261.png
att_36_for_222593261.png
att_37_for_222593261.png

Remarque : le point de départ E1 est toujours situé sur l’axe vertical qui coupe l’ellipse en deux.

Caractéristiques de positionnement :

  • ObjPosDebX : Positionnement X de E1

  • ObjPosDebY : Positionnement Y de E1

  • ObjPosFinX : Positionnement X de E2

  • ObjPosFinY : Positionnement Y de E2

Définition des points A et B de début et de fin:

Une fois l’ellipse définie, il suffit de donner les coordonnées des points de début et de fin de l’arc appartenant à cette ellipse.

att_38_for_222593261.png

Pour obtenir l’arc inverse, il suffit d’inverser les points A et B.

att_39_for_222593261.png

Caractéristiques de positionnement :

  • ObjPosArcDebX : Positionnement X du début de l’arc

  • ObjPosArcDebY : Positionnement Y du début de l’arc

  • ObjPosArcFinX : Positionnement Y de la fin de l’arc

  • ObjPosArcFinY : Positionnement Y de la fin de l’arc

Remarque : si les positionnement de début et de fin sont omis, Diapason dessine un quart d’ellipse.

att_40_for_222593261.png
att_41_for_222593261.png
att_42_for_222593261.png
att_43_for_222593261.png
  • Remarque sur les SDD et Configurateur Diapason.

L’utilisation des types d’objets « ARC » et « ARE » dans le configurateur ou dans les SDDs est la même que pour la fonction GENERE-IMAGE décrite ci-dessus. Toutefois, elle ne permet de dessiner que des quarts de cercles ou des quarts d’ellipse.

Ainsi l’affectation du champ « ObjPosArcDebX » pour le type « ARC » est sans effet sur le dessin. De même les valeurs des champs ObjPosArcDebX, ObjPosArcDebY, ObjPosArcFinX, ObjPosArcFinY ne sont pas prises en compte par Diapason

Les dessins possibles sont donc les suivants :

att_44_for_222593261.png
att_45_for_222593261.png
att_46_for_222593261.png
att_47_for_222593261.png
att_48_for_222593261.png
att_49_for_222593261.png
att_50_for_222593261.png
att_51_for_222593261.png

La Bibliothèque d’Objets Graphiques

Les applications de gestion des objets bibliothèques sont accessibles depuis l’explorateur STUDIO dans Dessin Dynamique / Bibliothèques.

att_94_for_222593261.png

L’explorateur est composé :

  • D’une branche « Modèle Bibliothèque » présentant tous les objets bibliothèques définis,

  • D’une branche « Détail Modèle Bibliothèque » présentant le détail de tous les objets bibliothèques,

  • D’une branche « Caractéristiques Objets Graphiques » présentant toutes les caractéristiques de présentation définies,

  • D’une branche « Caractéristiques Dimensionnelles des Objets Gra. » présentant toutes les références caractéristiques dimensionnelles définies.

Définition d’un Objet Bibliothèque

GFG de définition des Objets Bibliothèques

Onglet ‘Définition’ :

att_52_for_222593261.png
  • Référence: Référence Objet Bibliothèque.

  • Désignation: Désignation associée à l’Objet Bibliothèque.

  • Mot Directeur: Mot directeur associé à l’Objet Bibliothèque.

  • Commentaire: Commentaire associé à l’Objet Bibliothèque.

  • Paramètres: Permet de sélectionner les paramètres utilisés dans la définition du détail de l’objet bibliothèques. Ce bouton présente les paramètres définis dans : Paramètres Généraux / Paramètres Utilisateurs / Objets Graphiques / Paramètres Objets Graphiques (Entité : DAO / Groupe : PAR).

  • Valeurs Défauts: Permet de saisir des valeurs défauts pour chacun des paramètres sélectionnés. Ce bouton lance un tableur initialisé avec les paramètres sélectionnés. Le tableur est constitué de trois colonnes : une pour la référence paramètre, une pour la désignation associée au paramètre et une pour la valeur associée. Les valeurs saisies sont de type caractère.

att_53_for_222593261.png
  • Caract. Représ.

Permet de sélectionner une référence caractéristique de représentation. Cette référence caractéristique est la référence défaut pour le détail de l’objet c’est à dire que si le détail de l’objet ne possède pas de référence caractéristique, il hérite de cette référence.

Cette zone est munie d’une aide.

  • Unité Mesure

Permet de sélectionner l’unité de mesure de définition de l’objet bibliothèque. En création cette zone est initialisée avec l’unité de mesure ‘CMM’ (Centième de Millimètre).

Cette zone est munie d’une aide sur les unités de mesure définies sur : Paramètres Généraux / Paramètres Utilisateurs / Objets Graphiques / Unité de Mesure Objets (Entité : DAO / Groupe : UME).

Onglet ‘Caractéristiques Génération’ :

Cet onglet sert au paramétrage d’un test de génération de l’objet bibliothèque. Le test permet de visualiser si l’objet bibliothèque est bien paramétré.

att_54_for_222593261.png
  • Coordonnées Déb. X : Permet de donner la coordonnée X de début de l’Objet.

  • Coordonnées Déb. Y: Permet de donner la coordonnée Y de début de l’Objet.

  • Largeur: Permet de donner la Largeur de l’Objet

  • Hauteur: Permet de donner la Hauteur de l’Objet.

  • Cond. Inclusion Prés.

Contient la liste des valeurs comparées à la zone « Cond. Inclusion Prés. » de l’objet père.

Si cette liste contient un élément de l’objet père, la condition est vérifiée et l’objet est affiché.

Si cette zone est vide la condition d’inclusion est considérée comme vrai et l’objet est affiché.

Le séparateur de cette liste est la virgule.

Remarque : Pour être pris en compte, un objet doit vérifier : (condition inclusion = vrai) et (condition exclusion = faux) et (condition formule = vrai).

  • Cond. Exclusion Prés.

Contient la liste des valeurs comparées à la zone « Cond. Inclusion Prés. » de l’objet père.

Si cette liste contient un élément de l’objet père, la condition est vérifiée et l’objet n’est pas affiché.

Si cette zone est vide la condition d’exclusion est considérée comme fausse et l’objet est affiché.

Le séparateur de cette liste est la virgule.

Remarque : Pour être pris en compte, un objet doit vérifier : (condition inclusion = vrai) et (condition exclusion = faux) et (condition formule = vrai).

  • Cond. Formule Prés.

Contient la condition d’affichage de l’objet. L’objet est affiché si la condition est vérifiée.

Si cette zone est vide la condition d’inclusion est considérée comme vrai et l’objet est affiché.

Exemple : « PAR.HautBVR > 500 AND PAR.TexManDroi <> '-' »

Remarque : Pour être pris en compte, un objet doit vérifier : (condition inclusion = vrai) et (condition exclusion = faux) et (condition formule = vrai).

  • Fam. Inclues Génération

Permet d’indiquer les familles d’objet (ces familles sont renseignées sur les objets constituant le détail de l’objet bibliothèque) à inclure lors de la génération de l’image.

Cette zone est munie d’une aide permettant de visualiser les familles d’objets existantes (cette aide ne possède pas de validation)

Le séparateur de cette liste est la virgule.

  • Fam. Exclues Génération

Permet d’indiquer les familles d’objet (ces familles sont renseignées sur les objets constituant le détail de l’objet bibliothèque) à exclure lors de la génération de l’image.

Cette zone est munie d’une aide permettant de visualiser les familles d’objets existantes (cette aide ne possède pas de validation)

Le séparateur de cette liste est la virgule.

  • Val. Par. Génération

Permet de saisir les valeurs des paramètres pour la génération de l’image. Ce bouton lance un tableur initialisé avec les paramètres sélectionnés. Le tableur est constitué de trois colonnes : une pour la référence paramètre, une pour la désignation associée au paramètre et une pour la valeur associée. Les valeurs saisies sont de type caractère.

Si l’on ne renseigne pas de valeur pour les paramètres à ce niveau, la génération va utiliser les valeurs défauts saisies.

  • Caract. Dimens.

Cette zone permet de saisir une référence de caractéristiques dimensionnelles. Ces caractéristiques sont appliquées lors de la génération de l’image.

Cette zone est munie d’une aide.

Onglet ‘Caractéristiques Fichier’ :

att_55_for_222593261.png
  • Nom Fichier: Permet d’indiquer le nom du fichier à générer.

  • Serveur Windows: Permet d’indiquer le serveur Windows qui va servir à la génération de l’image. Cette zone est munie d’une aide présentant tous les serveurs définis sur DIAPASON.

  • Format Fichier: Permet d’indiquer le format de génération du fichier. Par défaut, cette zone est initialisée avec ‘0’ qui est le format défaut DIAPASON c’est à dire que dans ce cas DIAPASON déduit automatiquement le format du fichier avec l’extension du nom de fichier (Exemple : avec le format ‘0’, il faut mettre dans la référence du fichier l’extension ‘fichier.jpg’ et DIAPASON déduit automatiquement que le format du fichier à générer est ‘JPG’).

  • Cette zone est munie d’une aide présentant tous les formats de fichier possibles.

  • Largeur Fichier: Permet de renseigner la largeur réelle du fichier à générer.

  • Hauteur Fichier: Permet de renseigner la hauteur réelle du fichier à générer.

  • Unité de Mesure: Permet de donner l’unité de mesure liée à la largeur et hauteur du fichier. Cette zone est munie d’une aide présentant les unités de mesure définies dans Paramètres Généraux / Paramètres Utilisateurs / Objets Graphiques / Unité de Mesure Objets (Entité : DAO / Groupe : UME).

Onglet ‘Visu. Fichier Généré’ :

Cette onglet permet de visualiser le fichier généré.

att_56_for_222593261.png

Onglet ‘Qui, Quand’ :

att_57_for_222593261.png

Cet onglet présente les informations standards de gestion plus la date, heure et utilisateur de génération du fichier ainsi que le chemin complet du fichier généré.

Sur cette application, les actions possibles sont :

  • Actions standards GFG : Création, Modification, Duplication, Suppression

  • Action Détail Objet Bibliothèque : Cette action permet de lancer la GFG de définition du détail de l’objet bibliothèque courant.

  • Action de Génération Objet Bibliothèque : Permet de lancer la génération de l’objet bibliothèque avec les différents paramètres renseignés dans la définition de l’objet bibliothèque.

Définition du détail d’un Objet Bibliothèque

GFG de définition du Détail des Objets Bibliothèque

Cette application permet de définir le détail d’un objet bibliothèque.

Onglet ‘Définition’ :

att_58_for_222593261.png
  • Référence Bib.: Référence de l’objet bibliothèque liée à la définition du détail. Cette zone est initialisée par la référence objet bibliothèque si cette application est lancée depuis l’action ‘Détail Objet Bibliothèque’ se trouvant sur l’application de définition d’un objet graphique. Zone munie d’une aide si saisissable.

  • Référence Objet: Référence Objet constituant le détail de l’objet bibliothèque.

  • Désignation: Désignation associée à l’Objet constituant le détail de l’objet bibliothèque.

  • Mot Directeur: Mot directeur associé à l’Objet.

  • Famille Objet: Référence Famille associée à l’Objet. Cette zone est munie d’une aide présentant les familles dans Paramètres Généraux Paramètres Utilisateurs Objets Graphiques Familles Objets Graphiques (Entité : DAO / Groupe : FAM). Sur la définition d’une famille, il est possible de donner une référence caractéristique de représentation et une référence caractéristique dimensionnelle défaut pour la famille.

  • Commentaire: Commentaire associé à l’Objet.

Onglet ‘Détail Objet’ :

att_59_for_222593261.png
  • Num. Ordre: Numéro d’ordre de création des objets lors de la génération du dessin. Cette notion d’ordre est importante lors de l’empilement des objets.

  • Type Objet: Cette zone indique le type de l’objet à créer. Elle est munie d’une liste déroulante présentant les différents types d’objets élémentaires gérés par DIAPASON.

  • Cond. Inclusion Prés.: Contient la liste des valeurs comparées à la zone « Cond. Inclusion Prés. » de l’objet père.

    • Si cette liste contient un élément de l’objet père, la condition est vérifiée et l’objet est affiché.

    • Si cette zone est vide la condition d’inclusion est considérée comme vrai et l’objet est affiché.

Remarque : Pour être pris en compte, un objet doit vérifier : (condition inclusion = vrai) et (condition exclusion = faux) et (condition formule = vrai).

  • Cond. Exclusion Prés.: Contient la liste des valeurs comparées à la zone « Cond. Inclusion Prés. » de l’objet père.

    • Si cette liste contient un élément de l’objet père, la condition est vérifiée et l’objet n’est pas affiché.

    • Si cette zone est vide la condition d’exclusion est considérée comme fausse et l’objet est affiché.

Remarque : Pour être pris en compte, un objet doit vérifier : (condition inclusion = vrai) et (condition exclusion = faux) et (condition formule = vrai).

  • Cond. Formule Prés.: Contient la condition d’affichage de l’objet. L’objet est affiché si la condition est vérifiée.

Si cette zone est vide la condition d’inclusion est considérée comme vraie et l’objet est affiché.

Exemple : « PAR.HautBVR > 500 AND PAR.TexManDroi <> '-' »

Remarque : Pour être pris en compte, un objet doit vérifier : (condition inclusion = vrai) et (condition exclusion = faux) et (condition formule = vrai).

  • Réf. Obj. Bib.

Zone permettant de saisir la référence d’un objet bibliothèque dans le cas ou le type de l’objet est égal à ‘BIB’.

Zone munie d’une aide présentant toutes les références bibliothèques existantes dans DIAPASON.

  • Règle OML: Zone permettant de sélectionner une requête REB pour piloter les caractéristiques de l’objet graphiques. Cette requête doit alimenter la liste WfObjDetSor.

  • Paramètres Biblio.: Permet de donner les valeurs de paramètres lors de l’intégration d’un objet bibliothèque sous la forme : PAR + ‘.’+ Référence Paramètre + ‘=’ + Valeur Paramètre. Si plusieurs paramètres le séparateur des différentes valeurs de paramètre est le ‘;’ (exemple : PAR.Par1=1;Par.Par2=2).

  • Relatif: Permet d’indiquer si la définition des coordonnées est faite par rapport à un autre objet. Indique si l’on souhaite utiliser la notion de relativité ou la notion d’absolue.

  • Réf. Obj. Père: Cette zone permet de renseigner la référence de l’objet père dans le cas ou l’on souhaite créer l’objet en relatif par rapport à un autre objet. Cette zone est active que si la zone ‘Relatif’ est cochée à OUI. Zone munie d’une aide présentant tous les objets déjà créés dans le détail de l’objet bibliothèque courant.

  • Coordonnées Déb. X: Cette zone permet de donner les coordonnées de début X de l’objet. On peut saisir la coordonnée soit avec sa vraie valeur (exemple : 1000) soit avec une formule (OBJ.PERE.ObjPosDebX).

Au niveau des formules, il est possible de récupérer les données d’un autre objet en mettant : OBJ + ‘.’ + Référence Objet + ‘.’ + ObjPosDebX ou ObjPosDebY ou ObjPosFinX ou ObjPosFinY ou ObjLar ou ObjHau.

La référence Objet = PERE permet de récupérer les coordonnées du Père lors de l’intégration de l’objet bibliothèque.

Exemple :

Dans le cas DIALOG, intégration d’un objet bibliothèque:

CREATION Liste WfObjGraD :

PRENDRE WfObjGraD ObjNumOrd = 10

PRENDRE WfObjGraD ObjRefObjF = ‘B1’

PRENDRE WfObjGraD ObjTypObj  = ‘BIB’

PRENDRE WfObjGraD ObjRefBib = ‘RefObjBib’

PRENDRE WfObjGraD ObjPosDebX = ‘10000’

PRENDRE WfObjGraD ObjPosDebY = ‘20000’

PRENDRE WfObjGraD ObjHau = ‘20000’

PRENDRE WfObjGraD ObjLar = ‘40000’

Dans cet exemple, le fait de mettre dans la zone OBJ.PERE.ObjPosDebX permet de récupérer ‘10000’.

Dans le cas de l’action de ‘Génération objet Bibliothèque’, se trouvant sur l’entête bibliothèque, le fait de mettre OBJ.PERE.ObjPosDebX DIAPASON récupère la valeur contenue dans la zone ‘Coordonnées Déb. X’ (Onglet ‘Caractéristiques génération’) de l’application de définition entête bibliothèque.

  • Coordonnées Déb. Y: Cette zone permet de donner les coordonnées de début Y de l’objet. On peut saisir la coordonnée soit avec sa vraie valeur (exemple : 1000) soit avec une formule (OBJ.PERE.ObjPosDebY).

Au niveau des formules, il est possible de récupérer les données d’un autre objet en mettant : OBJ + ‘.’ + Référence Objet + ‘.’ + ObjPosDebX ou ObjPosDebY ou ObjPosFinX ou ObjPosFinY ou ObjLar ou ObjHau.

La référence Objet = PERE permet de récupérer les coordonnées du Père lors de l’intégration de l’objet bibliothèque.

Exemple :

Dans le cas DIALOG, intégration d’un objet bibliothèque:

CREATION Liste WfObjGraD :

PRENDRE WfObjGraD ObjNumOrd = 10

PRENDRE WfObjGraD ObjRefObjF = ‘B1’

PRENDRE WfObjGraD ObjTypObj  = ‘BIB’

PRENDRE WfObjGraD ObjRefBib = ‘RefObjBib’

PRENDRE WfObjGraD ObjPosDebX = ‘10000’

PRENDRE WfObjGraD ObjPosDebY = ‘20000’

PRENDRE WfObjGraD ObjHau = ‘20000’

PRENDRE WfObjGraD ObjLar = ‘40000’

Dans cet exemple, le fait de mettre dans la zone OBJ.PERE.ObjPosDebY permet de récupérer ‘20000’.

Dans le cas de l’action de ‘Génération objet Bibliothèque’, se trouvant sur l’entête bibliothèque, le fait de mettre OBJ.PERE.ObjPosDebY DIAPASON récupère la valeur contenue dans la zone ‘Coordonnées Déb. Y’ (Onglet ‘Caractéristiques génération’) de l’application de définition entête bibliothèque.

  • Coordonnées Fin X: Cette zone permet de donner les coordonnées de fin X de l’objet. On peut saisir la coordonnée soit avec sa vraie valeur (exemple : 1000) soit avec une formule (OBJ.PERE.ObjPosFinX).

Au niveau des formules, il est possible de récupérer les données d’un autre objet en mettant : OBJ + ‘.’ + Référence Objet + ‘.’ + ObjPosDebX ou ObjPosDebY ou ObjPosFinX ou ObjPosFinY ou ObjLar ou ObjHau.

La référence Objet = PERE permet de récupérer les coordonnées du Père lors de l’intégration de l’objet bibliothèque.

  • Coordonnées Fin Y: Cette zone permet de donner les coordonnées de fin Y de l’objet. On peut saisir la coordonnée soit avec sa vraie valeur (exemple : 1000) soit avec une formule (OBJ.PERE.ObjPosFinY).

Au niveau des formules, il est possible de récupérer les données d’un autre objet en mettant : OBJ + ‘.’ + Référence Objet + ‘.’ + ObjPosDebX ou ObjPosDebY ou ObjPosFinX ou ObjPosFinY ou ObjLar ou ObjHau.

La référence Objet = PERE permet de récupérer les coordonnées du Père lors de l’intégration de l’objet bibliothèque.

  • Largeur: Cette zone permet de donner la largeur de l’objet. On peut donner la largeur soit avec sa vraie valeur (exemple : 1000) soit avec une formule (OBJ.PERE.ObjLar).

Au niveau des formules, il est possible de récupérer les données d’un autre objet en mettant : OBJ + ‘.’ + Référence Objet + ‘.’ + ObjPosDebX ou ObjPosDebY ou ObjPosFinX ou ObjPosFinY ou ObjLar ou ObjHau.

La référence Objet = PERE permet de récupérer les coordonnées du Père lors de l’intégration de l’objet bibliothèque.

Exemple :

Dans le cas DIALOG, intégration d’un objet bibliothèque:

CREATION Liste WfObjGraD :

PRENDRE WfObjGraD ObjNumOrd = 10

PRENDRE WfObjGraD ObjRefObjF = ‘B1’

PRENDRE WfObjGraD ObjTypObj  = ‘BIB’

PRENDRE WfObjGraD ObjRefBib = ‘RefObjBib’

PRENDRE WfObjGraD ObjPosDebX = ‘10000’

PRENDRE WfObjGraD ObjPosDebY = ‘20000’

PRENDRE WfObjGraD ObjHau = ‘20000’

PRENDRE WfObjGraD ObjLar = ‘40000’

Dans cet exemple, le fait de mettre dans la zone OBJ.PERE.ObjLar permet de récupérer ‘40000’.

Dans le cas de l’action de ‘Génération objet Bibliothèque’, se trouvant sur l’entête bibliothèque, le fait de mettre OBJ.PERE.ObjLar DIAPASON récupère la valeur contenue dans la zone ‘Largeur’ (Onglet ‘Caractéristiques génération’) de l’application de définition entête bibliothèque.

  • Hauteur: Cette zone permet de donner la hauteur de l’objet. On peut donner la hauteur soit avec sa vraie valeur (exemple : 1000) soit avec une formule (OBJ.PERE.ObjHau).

Au niveau des formules, il est possible de récupérer les données d’un autre objet en mettant : OBJ + ‘.’ + Référence Objet + ‘.’ + ObjPosDebX ou ObjPosDebY ou ObjPosFinX ou ObjPosFinY ou ObjLar ou ObjHau.

La référence Objet = PERE permet de récupérer les coordonnées du Père lors de l’intégration de l’objet bibliothèque.

Exemple :

Dans le cas DIALOG, intégration d’un objet bibliothèque:

CREATION Liste WfObjGraD :

PRENDRE WfObjGraD ObjNumOrd = 10

PRENDRE WfObjGraD ObjRefObjF = ‘B1’

PRENDRE WfObjGraD ObjTypObj  = ‘BIB’

PRENDRE WfObjGraD ObjRefBib = ‘RefObjBib’

PRENDRE WfObjGraD ObjPosDebX = ‘10000’

PRENDRE WfObjGraD ObjPosDebY = ‘20000’

PRENDRE WfObjGraD ObjHau = ‘20000’

PRENDRE WfObjGraD ObjLar = ‘40000’

Dans cet exemple, le fait de mettre dans la zone OBJ.PERE.ObjHau permet de récupérer ‘20000’.

Dans le cas de l’action de ‘Génération objet Bibliothèque’, se trouvant sur l’entête bibliothèque, le fait de mettre OBJ.PERE.ObjHau DIAPASON récupère la valeur contenue dans la zone ‘hauteur’ (Onglet ‘Caractéristiques génération’) de l’application de définition entête bibliothèque.

Onglet ‘Caractéristiques Objet’ :

att_60_for_222593261.png
  • Caract. Dimens.: Permet de donner une référence caractéristiques dimensionnelles à l’objet. Ces caractéristiques sont appliquées lors de la génération de l’image. Cette zone est munie d’une aide.

  • Caract. Représ.: Permet de donner une référence caractéristique de Représentation à l’objet. Cette zone est munie d’une aide. La référence caractéristique peut être donnée sous forme de paramètre : PAR +’.’+ Référence Paramètre.

  • Caractéristiques: Cette zone est en consultation. Elle présente la liste chaînée des caractéristiques de présentation saisie sur les deux onglets suivants (Détail Caractéristiques 1 et Détail Caractéristiques 2) sous la forme '#' + <Code_Attribut> + '=' + <Valeur_Attribut> + '#' + … etc.

  • Texte: Permet de saisir le texte rattaché à l’objet. Il est possible d’utiliser dans cette zone des valeurs de paramètres sous la forme : PAR + ‘.’ + référence paramètre.

Exemple : la zone texte peut être égale à : Hauteur Poignée égale à PAR.HauPoi

  • Rotation Objet: Permet de saisir le degré de rotation d’un objet.

  • Image: Permet de saisir une référence image à rattacher à l’objet. Cette zone est munie d’une aide présentant les images stockées dans Paramètres Généraux / Paramètres Utilisateurs / Objets Graphiques / Images Objets Graphiques (Entité : DAO / Groupe : IMG).

L’image peut être donnée sous forme de paramètre : PAR +’.’+ Référence Paramètre.

  • Couleur de Fond

Permet de saisir une couleur de fond pour l’objet.

La couleur de fond peut être donnée sous forme de paramètre : PAR +’.’+ Référence Paramètre.

  • Fam. Génération

Permet de sélectionner les familles de génération rattachées à l’objet. Ces familles seront utilisées lors de la génération de l’image. Sert à faire des filtres d’objet lors de la génération des images d’un objet bibliothèque.

Le bouton présente les familles stockées dans Paramètres Généraux / Paramètres Utilisateurs / Objets Graphiques / Familles Objets Graphiques (Entité : DAO / Groupe : FAM).

Onglet ‘Détail Caractéristiques 1’ :

att_61_for_222593261.png
  • Couleur Trait: Permet de sélectionner la couleur du trait de l’objet.

  • Style Trait: Permet de sélectionner le style du trait de l’objet. Les styles gérés par DIAPASON sont :

    • PTL Trait en Pointillé

    • SOL Trait Plein

    • TIR Trait avec Tiré

  • Epaisseur Trait: Permet de donner l’épaisseur du trait de l’objet.

  • Extrémité Trait: Permet de donner le style de l’extrémité d’un trait. Les styles d’extrémité gérés par DIAPASON sont :

    • ELL Ellipse

    • FIL Triangle

    • OPE Flèche Ouverte

    • REC Rectangle

    • STE Flèche Fermée

  • Position Extrémité: Cette zone permet de donner le positionnement de l’extrémité du trait : soit au début du trait, en fin de trait ou les deux.

  • Style Fond : Style de Fond de l’objet : un fond transparent (on peut visualiser les objets se trouvant derrière cet objet) ou Opaque (on ne visualise pas les objets se trouvant derrière cet objet).

  • Couleur Fond: Couleur de Fond de l’objet.

Onglet ‘Détail Caractéristiques 2’ :

att_62_for_222593261.png
  • Couleur Texte: Permet de donner la couleur du texte de l’objet

  • Taille Texte: Permet de donner la taille de la police

  • Police Texte: Permet de donner la police du texte rattaché à l’objet. Cette zone est munie d’une aide présentant les Polices stockées dans Paramètres Généraux / Paramètres Utilisateurs / Objets Graphiques / Polices Objets Graphiques (Entité : DAO / Groupe : FON).

  • Style Texte: Style du texte.

  • Alig. Horiz. Texte: Alignement du texte par rapport à l’axe Y. Les alignements possibles sont :

    • CEN Alignement Centré

    • DRO Alignement à Droite

    • GAU Alignement à Gauche

  • Alig. Vert. Texte: Alignement du texte par rapport à l’axe X. Les alignements possibles sont :

    • CEN Alignement Centré

    • DRO Alignement à Droite

    • GAU Alignement à Gauche

  • Position Par Dessus: Ce logique permet d’indiquer que le texte sera situé au dessus de tous les objets de la bibliothèque.

  • Position Cote: Permet de donner le positionnement de la ou des côtes par rapport à l’objet.

  • Marge Bas/Haut: Permet d’indiquer la marge se trouvant entre les côtes positionnées en haut et en bas de l’objet.

  • Marge Droite/Gauche: Permet d’indiquer la marge se trouvant entre les côtes positionnées à droite et à gauche de l’objet.

  • Texte Cote: Permet de donner le texte lié à la ou les côtes. Pour intégrer la dimension et l’unité de mesure dans le texte, il faut mettre &1 pour la dimension et &2 pour l’unité de mesure.

Onglet ‘Qui, Quand ?’ :

att_63_for_222593261.png

Cet onglet présente les informations standards de gestion.

Sur cette application, les actions possibles sont :

  • Actions standards GFG : Création, Modification, Duplication, Suppression

Définition des Caractéristiques Objets

Définition des Caractéristiques de Représentation

Les caractéristiques de présentation permettent de piloter des attributs de couleur, d’épaisseur, de style de chacun des objets élémentaires gérés par DIAPASON.

Les références caractéristiques de représentation peuvent être intégrées :

  • sur l’entête de l’objet bibliothèque

  • sur la définition de chacun des objets élémentaires

  • sur les références familles sous la forme : CarPre=Référence caractéristique

  • dans la structure WfObjPar pour DIALOG

GFG de définition Caractéristiques de Présentation Objets

Onglet ‘Définition’ :

att_64_for_222593261.png
  • Référence: Référence de la caractéristique de représentation.

  • Désignation: Désignation associée à la caractéristique de représentation.

  • Mot Directeur: Mot Directeur associé à la caractéristique de représentation.

  • Commentaire: Commentaire associé à la caractéristique de représentation.

  • Unité de Mesure: Unité de Mesure associée à la définition des caractéristiques de représentation. Cette unité de mesure est prise en compte pour les caractéristiques suivantes :

    • Marge Bas/Haut

    • Marge Droite/Gauche.

Cette zone est munie d’une aide présentant les Unités de Mesure stockées dans Paramètres Généraux / Paramètres Utilisateurs / Objets Graphiques / Unité de Mesure Objets (Entité : DAO / Groupe : UME).

Onglet ‘Caractéristiques 1’ :

att_65_for_222593261.png
  • Couleur Trait: Permet de sélectionner la couleur du trait de l’objet.

  • Style Trait: Permet de sélectionner le style du trait de l’objet. Les styles gérés par DIAPASON sont :

    • PTL Trait en Pointillé

    • SOL Trait plein

    • TIR Trait avec Tiré

  • Epaisseur Trait: Permet de donner l’épaisseur du trait de l’objet.

  • Extrémité Trait: Permet de donner le style de l’extrémité d’un trait. Les styles d’extrémité gérés par DIAPASON sont :

    • ELL Ellipse

    • FIL Triangle

    • OPE Flèche Ouverte

    • REC Rectangle

    • STE Flèche Fermée

  • Position Extrémité: Cette zone permet de donner le positionnement de l’extrémité du trait : soit au début du trait, en fin de trait ou les deux.

  • Style Fond : Style de fond de l’objet : un fond transparent (on peut visualiser les objets se trouvant derrière cet objet) ou Opaque (on ne visualise pas les objets se trouvant derrière cet objet).

  • Couleur Fond: Couleur de fond de l’objet.

Onglet ‘Caractéristiques 2’ :

att_66_for_222593261.png
  • Couleur Texte: Permet de donner la couleur du texte de l’objet

  • Taille Texte: Permet de donner la taille de la police

  • Police Texte: Permet de donner la police du texte rattachée à l’objet. Cette zone est munie d’une aide présentant les Polices stockées dans Paramètres Généraux / Paramètres Utilisateurs / Objets Graphiques / Polices Objets Graphiques (Entité : DAO / Groupe : FON).

  • Style Texte: Style du texte.

  • Alig. Horiz. Texte: Alignement du texte par rapport à l’axe Y. Les alignements possibles sont :

    • CEN Alignement Centré

    • DRO Alignement à Droite

    • GAU Alignement à Gauche

  • Alig. Vert. Texte: Alignement du texte par rapport à l’axe X. Les alignements possibles sont :

    • CEN Alignement Centré

    • DRO Alignement à Droite

    • GAU Alignement à Gauche

  • Position Par Dessus: Ce logique permet d’indiquer que le texte sera situé au dessus de tous les objets de la bibliothèque.

  • Position Cote: Permet de donner le positionnement de la ou des côtes par rapport à l’objet.

  • Marge Bas/Haut: Permet d’indiquer la marge se trouvant entre les côtes positionnées en haut et en bas de l’objet.

  • Marge Droite/Gauche: Permet d’indiquer la marge se trouvant entre les côtes positionnées à droite et à gauche de l’objet.

  • Texte Cote: Permet de donner le texte lié à la ou les côtes. Pour intégrer la dimension et l’unité de mesure dans le texte, il faut mettre &1 pour la dimension et &2 pour l’unité de mesure.

Onglet ‘Caractéristiques Grille’

att_67_for_222593261.png
  • Couleur Grille: Bouton permettant de sélectionner la couleur à appliquer sur la grille.

  • Style Grille: Liste déroulante permettant de sélectionner un style de grille parmi ceux définis dans DIAPASON

att_68_for_222593261.png
  • Epaisseur Grille: Nombre entier permettant d’agir sur l’épaisseur de tarit de la grille.

Onglet ‘Qui, Quand ?’ :

att_69_for_222593261.png

Cet onglet présente les informations standards de gestion.

Définition des Caractéristiques Dimensionnelles

Les caractéristiques dimensionnelles permettent de redimensionner l’épaisseur des traits, la taille des textes et les marges des côtes suivant les dimensions de sortie de l’image lors de la génération.

Les références caractéristiques dimensionnelles peuvent être intégrées :

  • sur l’entête de l’objet bibliothèque pour l’action de génération objet bibliothèque

  • sur la définition de chacun des objets élémentaires

  • sur les références familles sous la forme : CarDim=Référence caractéristique (non géré)

  • dans la structure WfObjPar pour DIALOG (non géré)

  • dans la structure WfObjGen pour DIALOG.

  • Dans la structure WfObjDetSor pour DIALOG

  • Dans la Structure WfObjGraD pour DIALOG.

Une référence caractéristique dimensionnelle est constituée d’une entête et d’un détail.

Le principe de récupération des caractéristiques dimensionnelles par rapport aux dimensions de génération sont les dimensions les plus proches inférieures.

Exemple : si on définit une référence ‘CarDim1’ caractéristique dimensionnelle composée des dimensions 5*5 et 10*10.

  • Si l’on génère une image 15*15 avec ‘CarDim1’ alors on récupère les caractéristiques liées aux dimensions 10*10.

  • Si l’on génère une image 9*10 avec ‘CarDim1’ alors on récupère les caractéristiques liées aux dimensions 5*5.

Définition de l’entête Caractéristiques Dimensionnelles

GFG de définition Caractéristiques Dimensionnelles

Onglet ‘Définition’ :

att_70_for_222593261.png
  • Référence: Référence de la caractéristique dimensionnelle.

  • Désignation: Désignation associée à la caractéristique dimensionnelle.

  • Mot Directeur: Mot Directeur associé à la caractéristique dimensionnelle.

  • Commentaire: Commentaire associé à la caractéristique dimensionnelle.

  • Unité de Mesure: Unité de Mesure associée à la définition des caractéristiques de représentation. Cette unité de mesure est prise en compte pour les caractéristiques suivantes :

    • Marge Bas/Haut

    • Marge Droite/Gauche.

Cette zone est munie d’une aide présentant les Unités de Mesure stockées dans Paramètres Généraux / Paramètres Utilisateurs / Objets Graphiques / Unité de Mesure Objets (Entité : DAO / Groupe : UME).

Onglet ‘Qui, Quand ?’ :

att_71_for_222593261.png

Cet onglet présente les informations standards de gestion.

Sur cette application, les actions possibles sont :

  • Actions standards GFG : Création, Modification, Duplication, Suppression

  • Action Détail Caractéristiques Dimensionnelles : Cette action permet de lancer la GFG de définition du détail de la référence caractéristique dimensionnelle courant.

Définition du détail Caractéristiques Dimensionnelles

GFG de définition Caractéristiques Dimensionnelles

att_72_for_222593261.png
  • Référence: Référence de la caractéristique dimensionnelle. Cette zone est non saisissable.

  • Hauteur: Hauteur de l’image de sortie.

  • Largeur: Largeur de l’image de sortie

  • Epaisseur Trait: Epaisseur du Trait associée à la hauteur et à la largeur de l’image définies ci-dessus.

  • Taille Texte: Taille du Texte associée à la hauteur et à la largeur de l’image définies ci-dessus.

  • Marge Bas/Haut: Marge Bas/Haut associée à la hauteur et à la largeur de l’image définies ci-dessus.

  • Marge Droite/Gauche: Marge Droite/Gauche associée à la hauteur et à la largeur de l’image définies ci-dessus.

Configuration du Serveur d’objets graphiques

Configuration matérielle du serveur

Pour effectuer la configuration matérielle du serveur vous devez vous reporter à la documentation concernant les Serveurs Windows (chapitre Gestion des Serveurs de services).

Détail sur les options du serveur d’objets graphiques

Chaque serveur utilisable pour la fonction DIALOG de génération d’images doit disposer des paramètres suivants :

att_95_for_222593261.png
  • Edition d’Image ? (Obligatoire) Active le service image sur le serveur courant.

  • Dossier travail (Obligatoire) Répertoire Windows dans lequel sont générés les images.

  • Dossier Tmp (Obligatoire) Répertoire Windows de travail DIAPASON.

  • Dossier Traces (Obligatoire) Répertoire Windows de génération des traces.

  • Niveau Traces Niveau de trace (même principes que pour tout autre type de service d’édition).

  • Autres paramètres : REPVISFIC Chemin du répertoire Windows pour accéder (depuis un poste client) aux images générées par le serveur d’objets graphiques.

Gestion des traces

Traces sur le serveur Unix

Pour utiliser les traces de la génération d’objets graphiques, mettre à jour le paramètre général utilisateur (PARAM-GEN, PARAMETRES) dont la référence est « TR-ISMLOGR ». La valeur numérique indique le niveau de trace (0 = pas de trace, 6 = trace maximale). Cette trace apparaît dans la trace de la requête utilisant la fonction.

Traces sur le serveur Windows

Trois niveaux de traces sont disponibles pour la génération d’objets graphiques (cas d’un Serveur de Service Diapason – SSD):

  • 0,1,2 : Pas de trace.

  • 3, 4 : On conserve les fichiers traces utilisés lors de la génération uniquement en cas de problèmes.

  • 5 et plus : tous les fichiers (fichier de traces et fichiers de travail) sont conservés

Les entiers utilisés pour paramétrer les niveaux de traces permettent de gérer les traces sur le serveur de service utilisé par tous les types d’éditions.

Annexes

Codification des Caractéristiques d'un Objet Graphique

Caractéristiques

Description

Codification

Couleur Trait

Couleur du trait de l'objet

CouTr

Style Trait

Style du trait de l'objet

StyTr

Epaisseur Trait

Epaisseur du trait de l'objet

EpaTr

Extrémité Trait

Extrémité d'un trait

SExTr

Position Extrémité

Positionnement de l'extrémité du trait de l'objet

PExTr

Style Fond

Style du fond de l'objet

FonS

Couleur Fond

Couleur du fond de l'objet

CouTra

Couleur Texte

Couleur du texte de l'objet

CouTxt

Taille Texte

Taille du texte de l'objet

Tai

Police Texte

Police liée au texte de l'objet

Pol

Style Texte

Style du texte de l'objet

StyTxt

Alig. Horiz. Texte

Alignement du texte par rapport à l'axe Y

AliHTxt

Alig. Vert. Texte

Alignement du texte par rapport à l'axe X

AliVTxt

Position Par Dessus

Positionnement de l'objet par-dessus les autres objets

PosPDe

Position Côte

Positionnement de(s) côte(s) par rapport à l'objet

PosCot

Marge Bas/Haut

Marge se trouvant entre les côtes haute et basse de l'objet

MarCot

Marge Droite/Gauche

Marge se trouvant entre les côtes gauche et droite de l'objet

MarCotG

Texte Côte

Texte lié à la ou aux côtes

TxtCot

Codification des Couleurs disponibles

att_73_for_222593261.png
att_74_for_222593261.png

Contexte d’exécution de la requête REB de règle OML

Variables

Description

SCR.ObjAl0Pere

Valeur Alpha 0 Objet Père

SCR.ObjAl1Pere

Valeur Alpha 1 Objet Père

SCR.ObjAl2Pere

Valeur Alpha 2 Objet Père

SCR.ObjAl3Pere

Valeur Alpha 3 Objet Père

SCR.ObjAl4Pere

Valeur Alpha 4 Objet Père

SCR.ObjAl5Pere

Valeur Alpha 5 Objet Père

SCR.ObjAl6Pere

Valeur Alpha 6 Objet Père

SCR.ObjAl7Pere

Valeur Alpha 7 Objet Père

SCR.ObjAl8Pere

Valeur Alpha 8 Objet Père

SCR.ObjAl9Pere

Valeur Alpha 9 Objet Père

SCR.ObjCle1Pere

Cle1 Objet Père

SCR.ObjCle2Pere

Cle2 Objet Père

SCR.ObjCooPolPere

Coord. Objet Père

SCR.ObjCtxPere

Référence Objet Père sur Ctx

SCR.ObjDebXPere

X départ Père

SCR.ObjDebYPere

Y départ Père

SCR.ObjFinXPere

X final Père

SCR.ObjFinYPere

Y final Père

SCR.ObjHauPere

Hauteur Père

SCR.ObjLarPere

Largeur Père

SCR.ObjNumPlanPere

Numéro Plan Père

SCR.ObjParVal

Paramètre Objet

SCR.ObjRefPere

Référence Objet Père

SCR.ObjRefPrmPere

Référence Objet Premier Père

SCR.ObjUmePere

Unité de Mesure Objet Père

SCR.PAR_CTXEnt

Contexte d’entrée :

CFG-DES : cas de la génération en saisie de configuration

CFG-IMG : cas de la génération en fin de saisie de configuration

GEN : cas de génération par la fonction GENERE-IMAGE vers un SSP et SSJ

GEN-P17 : cas de Génération par la fonction GENERE-IMAGE vers un SSD

SCR.IMASrvGen

Référence serveur de génération (cas de l’utilisation par la fonction « GENERE-IMAGE »)

SCR.IMASrvTyp

Type du serveur de génération (cas de l’utilisation par la fonction « GENERE-IMAGE ») :

P : Progress

J : Serveur de Service Java

P17 : Serveur de Service Diapason

VBP.ModAffDes

Mode Affichage du dessin

PI-CD pour dessin issu du Plugin de configuration

Format de fichier de sortie disponible

Les formats disponibles pour génération de fichiers sont :

Format

Description

SSJ

SSD

BMP

Bitmap Windows ou OS/2

att_75_for_222593261.png
att_76_for_222593261.png

EMF

Enhanced Meta File

att_77_for_222593261.png
att_78_for_222593261.png

JPG

JPEG avec qualité 100%

att_79_for_222593261.png
att_80_for_222593261.png

JPG25

JPEG avec Qualité 25%

att_81_for_222593261.png
att_82_for_222593261.png

JPG50

JPEG avec Qualité 50%

att_83_for_222593261.png
att_84_for_222593261.png

JPG75

JPEG avec Qualité 75%

att_85_for_222593261.png
att_86_for_222593261.png

MDP

MetaDraw Picture

att_87_for_222593261.png
att_88_for_222593261.png

PNG

Portable NetWork Graphics

att_89_for_222593261.png
att_90_for_222593261.png

WMF

Windows Meta File

att_91_for_222593261.png
att_92_for_222593261.png